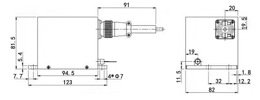
Milont?KNER cable?displacement sensor is authorized by AYK?Japan, our company generation processing of a high-precision displacement sensor, dedicated to shield machine movement measurement.Sensor range 2300mm(other range can be customized), the signal export types are: resistance export, voltage export (0-5V;?0-10V), current output (4-20mA, two-wire system or three-wire system), pulse output (AB phase or ABZ?phase incremental square wave), or RS485 digital signal is optional.?The sensor has special structure design, good stability,easy to install and use.
Application area:
KNER cable?displacement sensor, dedicated to shield machine displacement measurement, can be extended for other equipment displacement measurement.
